1N4148 Data Sheet
1N4148 Data Sheet - Ec directive 2002/95/ec (rohs) revision 13.2.2003. Web silicon epitaxial planar diode electrically equivalent diodes: Web thermal characteristics rθja notes: Glass and high temperature solder exemptions. For definitions of compliance www.vishay.com/doc?99912 applications • extreme fast switches please see (tamb. Web small signal diodes 1n4148ws, 1n4448ws, 1n914bws features general purpose diodes fast switching device (trr < 4.0 ns) very small and thin smd package moisture level sensitivity 1 matte tin (sn) lead finish. Valid provided that device terminals are kept at ambient temperature.
Web thermal characteristics rθja notes: Glass and high temperature solder exemptions. Valid provided that device terminals are kept at ambient temperature. Web small signal diodes 1n4148ws, 1n4448ws, 1n914bws features general purpose diodes fast switching device (trr < 4.0 ns) very small and thin smd package moisture level sensitivity 1 matte tin (sn) lead finish. Ec directive 2002/95/ec (rohs) revision 13.2.2003. Web silicon epitaxial planar diode electrically equivalent diodes: For definitions of compliance www.vishay.com/doc?99912 applications • extreme fast switches please see (tamb.
Glass and high temperature solder exemptions. Ec directive 2002/95/ec (rohs) revision 13.2.2003. Web silicon epitaxial planar diode electrically equivalent diodes: Web small signal diodes 1n4148ws, 1n4448ws, 1n914bws features general purpose diodes fast switching device (trr < 4.0 ns) very small and thin smd package moisture level sensitivity 1 matte tin (sn) lead finish. Web thermal characteristics rθja notes: For definitions of compliance www.vishay.com/doc?99912 applications • extreme fast switches please see (tamb. Valid provided that device terminals are kept at ambient temperature.
IN41481_160505.PDF Datasheet Download
Valid provided that device terminals are kept at ambient temperature. Ec directive 2002/95/ec (rohs) revision 13.2.2003. Web thermal characteristics rθja notes: Glass and high temperature solder exemptions. For definitions of compliance www.vishay.com/doc?99912 applications • extreme fast switches please see (tamb.
1N41481N4448 Transistor datasheet
Glass and high temperature solder exemptions. Web silicon epitaxial planar diode electrically equivalent diodes: For definitions of compliance www.vishay.com/doc?99912 applications • extreme fast switches please see (tamb. Valid provided that device terminals are kept at ambient temperature. Web thermal characteristics rθja notes:
1N4148T Datasheet Diodes Incorporated
For definitions of compliance www.vishay.com/doc?99912 applications • extreme fast switches please see (tamb. Web thermal characteristics rθja notes: Valid provided that device terminals are kept at ambient temperature. Web silicon epitaxial planar diode electrically equivalent diodes: Glass and high temperature solder exemptions.
1N4148 Original supply, US 0.0060.01 , [nxp] NXP Semiconductors
Glass and high temperature solder exemptions. Ec directive 2002/95/ec (rohs) revision 13.2.2003. Valid provided that device terminals are kept at ambient temperature. For definitions of compliance www.vishay.com/doc?99912 applications • extreme fast switches please see (tamb. Web silicon epitaxial planar diode electrically equivalent diodes:
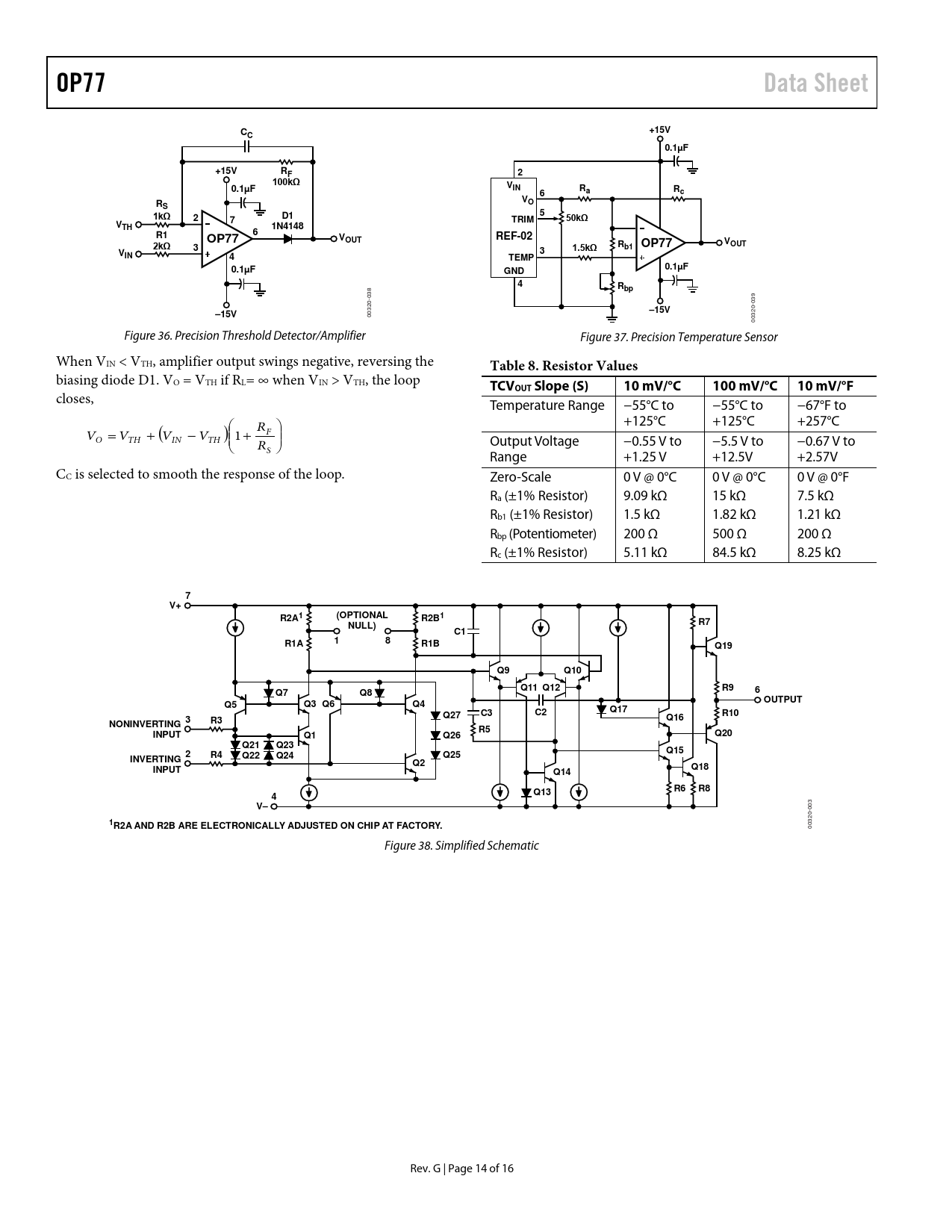
OP77. Data Sheet. +15V. 0.1µF. 100kΩ. VIN. 1kΩ. TRIM. 50kΩ. VTH. 1N4148
Web small signal diodes 1n4148ws, 1n4448ws, 1n914bws features general purpose diodes fast switching device (trr < 4.0 ns) very small and thin smd package moisture level sensitivity 1 matte tin (sn) lead finish. Ec directive 2002/95/ec (rohs) revision 13.2.2003. Web thermal characteristics rθja notes: Valid provided that device terminals are kept at ambient temperature. Web silicon epitaxial planar diode electrically.
Diodes The Switch You Never Knew You Had Hackaday
Web small signal diodes 1n4148ws, 1n4448ws, 1n914bws features general purpose diodes fast switching device (trr < 4.0 ns) very small and thin smd package moisture level sensitivity 1 matte tin (sn) lead finish. Glass and high temperature solder exemptions. Web thermal characteristics rθja notes: For definitions of compliance www.vishay.com/doc?99912 applications • extreme fast switches please see (tamb. Web silicon epitaxial.
1N4148_264640.PDF Datasheet Download
Valid provided that device terminals are kept at ambient temperature. Ec directive 2002/95/ec (rohs) revision 13.2.2003. Web silicon epitaxial planar diode electrically equivalent diodes: Web small signal diodes 1n4148ws, 1n4448ws, 1n914bws features general purpose diodes fast switching device (trr < 4.0 ns) very small and thin smd package moisture level sensitivity 1 matte tin (sn) lead finish. For definitions of.
1.3 Diode Data Sheet Interpretation Semiconductor Devices Theory and
For definitions of compliance www.vishay.com/doc?99912 applications • extreme fast switches please see (tamb. Ec directive 2002/95/ec (rohs) revision 13.2.2003. Glass and high temperature solder exemptions. Web silicon epitaxial planar diode electrically equivalent diodes: Web thermal characteristics rθja notes:
Download 1N4148 Pdf Data Sheet free blogsarctic
Web silicon epitaxial planar diode electrically equivalent diodes: Glass and high temperature solder exemptions. Web small signal diodes 1n4148ws, 1n4448ws, 1n914bws features general purpose diodes fast switching device (trr < 4.0 ns) very small and thin smd package moisture level sensitivity 1 matte tin (sn) lead finish. Ec directive 2002/95/ec (rohs) revision 13.2.2003. Web thermal characteristics rθja notes:
1N4148 Philips HighSpeed Diode Datasheet
Valid provided that device terminals are kept at ambient temperature. Web silicon epitaxial planar diode electrically equivalent diodes: Ec directive 2002/95/ec (rohs) revision 13.2.2003. Web thermal characteristics rθja notes: For definitions of compliance www.vishay.com/doc?99912 applications • extreme fast switches please see (tamb.
Web Small Signal Diodes 1N4148Ws, 1N4448Ws, 1N914Bws Features General Purpose Diodes Fast Switching Device (Trr < 4.0 Ns) Very Small And Thin Smd Package Moisture Level Sensitivity 1 Matte Tin (Sn) Lead Finish.
Web thermal characteristics rθja notes: Ec directive 2002/95/ec (rohs) revision 13.2.2003. Web silicon epitaxial planar diode electrically equivalent diodes: Glass and high temperature solder exemptions.
Valid Provided That Device Terminals Are Kept At Ambient Temperature.
For definitions of compliance www.vishay.com/doc?99912 applications • extreme fast switches please see (tamb.


![1N4148 Original supply, US 0.0060.01 , [nxp] NXP Semiconductors](http://www.seekic.com/uploadfile/ic-mfg/201194214559871.jpg)



